Its is explanation of dc drive control sequence and interlocks in hindi.how to do control wiring of dc drive. Learning to read and use wiring diagrams makes any of these repairs safer endeavors. Depending on the type, you may also see it referred to as either a linear or switching regulator. Of course it is similar to the analog scheme, but here analog circuit (analog amplifiers) . Presently, most dc drives use transistors to convert ac to dc.

Powerflex dc drives terminal block locations. Pdf Investigation Of Numerical Model Of Lenze 530 Dc Drive In Matlab Semantic Scholar
Pdf Investigation Of Numerical Model Of Lenze 530 Dc Drive In Matlab Semantic Scholar from d3i71xaburhd42.cloudfront.net
Here's an explanation of dc and ho. Powerflex dc drives and field controller circuit protection. Its a basic understanding and example of ac drive and dc drive control wiring/ connection, how to connect digital input, analog input, . • the speedmaster model has a dual voltage input ( . The electrical schematic wiring diagram uses symbols and a simple plan of connections to illustrate the scheme of control and the sequence of operations. Leeson's speedmaster variable speed dc motor control is a versatile, general purpose control rated to 2 hp. Users must connect wires according to the following circuit diagram shown below. Direct current (dc) is a type of electrical power commonly provided by solar cells and batteries.

Of course it is similar to the analog scheme, but here analog circuit (analog amplifiers) .

Your motor will be internally connected according to one of the diagrams shown below. These simple visual representations all. • the speedmaster model has a dual voltage input ( . Its is explanation of dc drive control sequence and interlocks in hindi.how to do control wiring of dc drive. Depending on the type, you may also see it referred to as either a linear or switching regulator. Users must connect wires according to the following circuit diagram shown below. Direct current (dc) is a type of electrical power commonly provided by solar cells and batteries. Of course it is similar to the analog scheme, but here analog circuit (analog amplifiers) . Leeson's speedmaster variable speed dc motor control is a versatile, general purpose control rated to 2 hp. The electrical schematic wiring diagram uses symbols and a simple plan of connections to illustrate the scheme of control and the sequence of operations. Its a basic understanding and example of ac drive and dc drive control wiring/ connection, how to connect digital input, analog input, . It differs from alternating current (ac) in the way electricity flows from the power source through wiring. A schematic arrangement of digital dc drive is shown in below figure;

Here's an explanation of dc and ho. Your motor will be internally connected according to one of the diagrams shown below. Only qualified personnel familiar with ac motor drives is allowed to. A schematic arrangement of digital dc drive is shown in below figure; Powerflex dc drives terminal block locations.

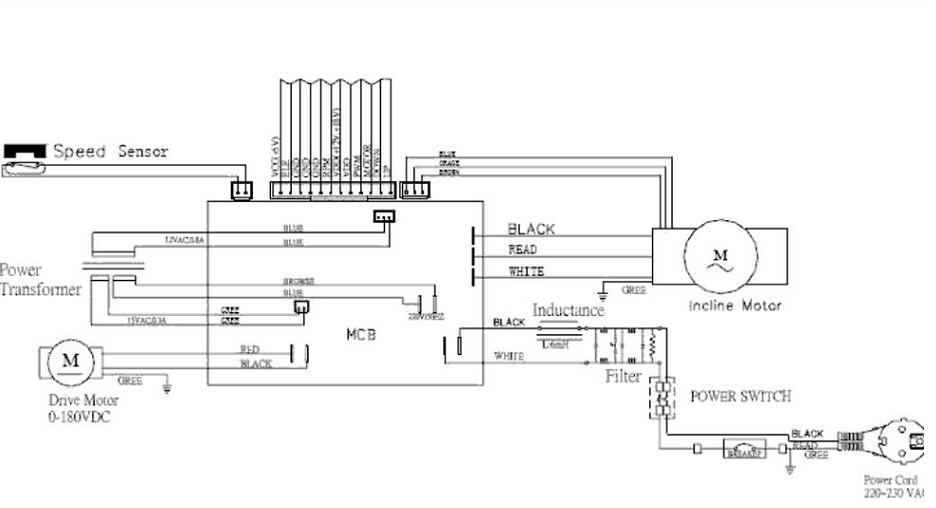
Learning to read and use wiring diagrams makes any of these repairs safer endeavors. Simplified Electrical Diagrams Of Different Traction Drive Download Scientific Diagram
Simplified Electrical Diagrams Of Different Traction Drive Download Scientific Diagram from www.researchgate.net
Depending on the type, you may also see it referred to as either a linear or switching regulator. Powerflex dc drives terminal block locations. Leeson's speedmaster variable speed dc motor control is a versatile, general purpose control rated to 2 hp. Only qualified personnel familiar with ac motor drives is allowed to. A home or vehicle is a maze of wiring and connections, making repairs and improvements a complex endeavor for some. Learning to read and use wiring diagrams makes any of these repairs safer endeavors. Of course it is similar to the analog scheme, but here analog circuit (analog amplifiers) . A schematic arrangement of digital dc drive is shown in below figure;

Powerflex dc drives terminal block locations.

The electrical schematic wiring diagram uses symbols and a simple plan of connections to illustrate the scheme of control and the sequence of operations. Presently, most dc drives use transistors to convert ac to dc. Powerflex dc drives and field controller circuit protection. Direct current (dc) is a type of electrical power commonly provided by solar cells and batteries. Of course it is similar to the analog scheme, but here analog circuit (analog amplifiers) . Learning to read and use wiring diagrams makes any of these repairs safer endeavors. 8.1.the block digram of this dc drive is shown in fig.8.2. Its a basic understanding and example of ac drive and dc drive control wiring/ connection, how to connect digital input, analog input, . It differs from alternating current (ac) in the way electricity flows from the power source through wiring. Your motor will be internally connected according to one of the diagrams shown below. Depending on the type, you may also see it referred to as either a linear or switching regulator. A closer look will now be taken into each circuit within the dc drive unit. Leeson's speedmaster variable speed dc motor control is a versatile, general purpose control rated to 2 hp.

A schematic arrangement of digital dc drive is shown in below figure; Its is explanation of dc drive control sequence and interlocks in hindi.how to do control wiring of dc drive. Presently, most dc drives use transistors to convert ac to dc. Only qualified personnel familiar with ac motor drives is allowed to. Depending on the type, you may also see it referred to as either a linear or switching regulator.

A schematic arrangement of digital dc drive is shown in below figure; The Schematic Diagram Of A Pmsm Drive Download Scientific Diagram
The Schematic Diagram Of A Pmsm Drive Download Scientific Diagram from www.researchgate.net
Of course it is similar to the analog scheme, but here analog circuit (analog amplifiers) . Its a basic understanding and example of ac drive and dc drive control wiring/ connection, how to connect digital input, analog input, . Presently, most dc drives use transistors to convert ac to dc. • the speedmaster model has a dual voltage input ( . It differs from alternating current (ac) in the way electricity flows from the power source through wiring. Leeson's speedmaster variable speed dc motor control is a versatile, general purpose control rated to 2 hp. Depending on the type, you may also see it referred to as either a linear or switching regulator. These simple visual representations all.

A schematic arrangement of digital dc drive is shown in below figure;

Direct current (dc) is a type of electrical power commonly provided by solar cells and batteries. Powerflex dc drives and field controller circuit protection. A schematic arrangement of digital dc drive is shown in below figure; Depending on the type, you may also see it referred to as either a linear or switching regulator. Its a basic understanding and example of ac drive and dc drive control wiring/ connection, how to connect digital input, analog input, . Your motor will be internally connected according to one of the diagrams shown below. Its is explanation of dc drive control sequence and interlocks in hindi.how to do control wiring of dc drive. It differs from alternating current (ac) in the way electricity flows from the power source through wiring. Leeson's speedmaster variable speed dc motor control is a versatile, general purpose control rated to 2 hp. Of course it is similar to the analog scheme, but here analog circuit (analog amplifiers) . Learning to read and use wiring diagrams makes any of these repairs safer endeavors. Users must connect wires according to the following circuit diagram shown below. These simple visual representations all.

Wiring Diagrams Dc Drives / Dc Motors Made In The Usa Range 12 Volt Dc Motors Thru 144 Volt Dc Motors High Performance Electric Golf Cart Motors Alltrax Golf Cart Controllers -. It differs from alternating current (ac) in the way electricity flows from the power source through wiring. Powerflex dc drives and field controller circuit protection. A closer look will now be taken into each circuit within the dc drive unit. The electrical schematic wiring diagram uses symbols and a simple plan of connections to illustrate the scheme of control and the sequence of operations. Depending on the type, you may also see it referred to as either a linear or switching regulator.

Post a Comment